IFM易福門
IN5225電感式雙傳感器來自德國IFM易福門用于閥門執行器的電感式雙傳感器 ,型號IND3004DBPKG/US-100-DPV,適用于監控閥門位置
適用于閥門執行器的可靠位置反饋;
IN5225電感式雙傳感器參數說明
工作電壓 [V] 10...36 DC
電流損耗 [mA] 15
防護等級 II
反相保護 是
輸出
電氣設計 PNP
輸出功能 2 x 常開
開關量輸出DC電壓降最大值 [V] 2.5
開關量輸出DC的持續電流負載 [mA] 250
開關頻率DC [Hz] 1300
短路保護 是
短路保護類型 脈沖
過載保護 是
監控范圍
感應距離 [mm] 4
實際感應距離 Sr [mm] 4 ± 10 %
工作距離 [mm] 0...3.25
精度/偏差
校正系數 鋼: 1 / 特種鋼: 0.7 / 黃銅: 0.4 / 鋁: 0.3 / 銅: 0.2
遲滯 [Sr的百分比] 1...15
開關點偏移 [Sr的百分比] -10...10
工作條件
環境溫度 [°C] -25...80
外殼防護等級 IP 67
認證/測試
EMC電磁兼容
EN 60947-5-2
EN 55011 等級B
MTTF [年] 1057
UL認證
Ta 0...40 °C
Enclosure type Type 1
電源 Unlimited Voltage
文件數量UL E174191
機械技術數據
重量 [g] 39.6
外殼 矩形的
安裝 非齊平安裝
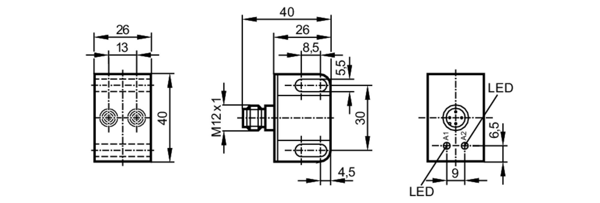
尺寸 [mm] 40 x 26 x 26
原材料 PBT
擰緊扭矩 [Nm] 0.6...1.5; (鎖定螺母)
顯示器/操作件
顯示
開關狀態 2 x LED, 黃色
注釋
包裝單位 1 件數
電氣連接 - 插頭
接口 接插件: 1 x M12; 觸頭: 鍍金的
IN5225電感式雙傳感器??尺寸圖
- 上一產品:SA1000流量傳感器
- 下一產品:IGC204電感式傳感器正品推薦






